Pi0tReK Napisano 14 Lutego 2010 Share Napisano 14 Lutego 2010 hej robie strażaka i nie mam pojęcia jak zrobić migające światła > led 3mm na belce i na masce razem 6 led .. może ma ktoś jakis pomysł na układ elektryczny? Cytuj Odnośnik do komentarza Udostępnij na innych stronach More sharing options...
Gerd Napisano 14 Lutego 2010 Share Napisano 14 Lutego 2010 kup diody migające i nie będzie potrzeby żaden "układ", chyba że na myśli masz sposób ich połączenia z włącznikiem i zasilaniem ale łatwo sam się zorientujesz ja to działa, poprostu źle się nie da złożyć. Cytuj Odnośnik do komentarza Udostępnij na innych stronach More sharing options...
Pi0tReK Napisano 14 Lutego 2010 Autor Share Napisano 14 Lutego 2010 myślałem o takim rozwiązaniu, ale nie będzie to pasować. Chce to zrobic na typowo układzie żeby migały naprzemiennie jak stroboskopy policyjne Cytuj Odnośnik do komentarza Udostępnij na innych stronach More sharing options...
orfeusz Napisano 15 Lutego 2010 Share Napisano 15 Lutego 2010 Zawsze możesz kupić zabawkę w której jest taki układ np. policje Cytuj Odnośnik do komentarza Udostępnij na innych stronach More sharing options...
Thaumaturgos Napisano 21 Lutego 2010 Share Napisano 21 Lutego 2010 Podbijam wątek... W razie jak by ktoś w przyszłości potrzebował "migających diod" jest na to kilka rozwiązań. Najprostsze z nich to kupić fabrycznie migające diody. Jeżeli to nam nie odpowiada polecam wykonanie sterownika na układzie scalonym NE555. Jest to timer dzięki któremu bez problemu zbudujemy układ migania diod na przemiennie, możemy sterować jego częstotliwością (wypełnieniem) itp... Jest jeszcze trzecia opcja która narzuca mi się na myśl wykonać sterownika na uC np. ATmega8. W tym wypadku otrzymamy multum kombinacji... Co opcja to wyższy stopień trudności Przykładowe układy na NE555 (zachęcam do zaprojektowania własnego schematu po wcześniejszym zapoznaniu się z notą katalogową): http://images.google.pl/images?hl=pl&tbs=isch%3A1&sa=1&q=NE555&btnG=Szukaj&aq=f&oq=&start=0 http://images.google.pl/images?hl=pl&tbs=isch%3A1&sa=1&q=NE555+miganie&btnG=Szukaj&aq=f&oq=&start=0 Powodzenia Cytuj Odnośnik do komentarza Udostępnij na innych stronach More sharing options...
Kermit Napisano 21 Lutego 2010 Share Napisano 21 Lutego 2010 Jest jeszcze trzecia opcja która narzuca mi się na myśl wykonać sterownika na uC np. ATmega8.Jeżeli to ma być tylko kilka diod i to jeszcze mrugających naprzemiennie, wystarczyłby np. ATTiny13, po co wsadzać tam długą (28 pinów) AtMega8... Pozdrawiam Cytuj Odnośnik do komentarza Udostępnij na innych stronach More sharing options...
Thaumaturgos Napisano 21 Lutego 2010 Share Napisano 21 Lutego 2010 Jeżeli to ma być tylko kilka diod i to jeszcze mrugających naprzemiennie, wystarczyłby np. ATTiny13, po co wsadzać tam długą (28 pinów) AtMega8... W sumie to masz racje, za bardzo przyzwyczaiłem się do ATmegi... Cytuj Odnośnik do komentarza Udostępnij na innych stronach More sharing options...
ireksir Napisano 25 Kwietnia 2010 Share Napisano 25 Kwietnia 2010 Do armatki wodnej wstawiłem 2 diody niebieskie migające podpięte do osobnych baterii ukrytych w działkach - efekt bardzo fajny. Cytuj Odnośnik do komentarza Udostępnij na innych stronach More sharing options...
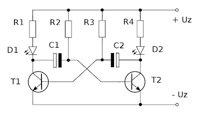
Sławko Napisano 27 Kwietnia 2010 Share Napisano 27 Kwietnia 2010 Aleście chłopaki zaszaleli z tymi układami ... Każdy kolejny coraz bardziej skomplikowany chociaż i bardziej funkcjonalny. Jeśli jednak chcecie czegoś minimalnego to do migania dwóch diód naprzemiennie wystarczą tylko dwa tranzystory z kilkoma rezystorkami i kondensatorami Jeśli chcecie to mogę spreparować jakiś schemacik. Cytuj Odnośnik do komentarza Udostępnij na innych stronach More sharing options...
Kermit Napisano 27 Kwietnia 2010 Share Napisano 27 Kwietnia 2010 Aleście chłopaki zaszaleli z tymi układami ... Każdy kolejny coraz bardziej skomplikowany chociaż i bardziej funkcjonalny. Jeśli jednak chcecie czegoś minimalnego to do migania dwóch diód naprzemiennie wystarczą tylko dwa tranzystory z kilkoma rezystorkami i kondensatorami Jeśli chcecie to mogę spreparować jakiś schemacik. No to dawaj, zobaczę, czy tak samo myślimy. Pozdrawiam Cytuj Odnośnik do komentarza Udostępnij na innych stronach More sharing options...
Sławko Napisano 29 Kwietnia 2010 Share Napisano 29 Kwietnia 2010 Aleście chłopaki zaszaleli z tymi układami ... Każdy kolejny coraz bardziej skomplikowany chociaż i bardziej funkcjonalny. Jeśli jednak chcecie czegoś minimalnego to do migania dwóch diód naprzemiennie wystarczą tylko dwa tranzystory z kilkoma rezystorkami i kondensatorami Jeśli chcecie to mogę spreparować jakiś schemacik. No to dawaj, zobaczę, czy tak samo myślimy. Pozdrawiam A proszę bardzo Prosty układzik i pewnie dobrze znany niejednemu amatorowi elektroniki Pozdrawiam. Cytuj Odnośnik do komentarza Udostępnij na innych stronach More sharing options...
Rekomendowane odpowiedzi
Dołącz do dyskusji
Możesz dodać zawartość już teraz a zarejestrować się później. Jeśli posiadasz już konto, zaloguj się aby dodać zawartość za jego pomocą.